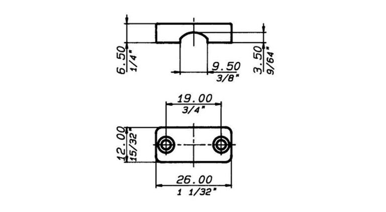
Cavallotto guida aste per mobili Mod.O847

Cavallotto guida aste per mobili Mod.O847

Cavallotto guida aste per mobili Mod.O847

Articolo: 10781
Caratteristiche:
Cavallotto guida aste in nylon per serrature da mobile.
I campi contrassegnati con * sono obbligatori

Prodotti Correlati

icon star Accessori

Asta laminata mm.1000 Mod.833 icon star arrow Richiedi INFO arrow
arrow
arrow
Ecco i vantaggi di essere
un cliente Colfert e ordinare
direttamente dal nostro sito.
REGISTRATI o ACCEDI.
catalogo
30.000
articoli a disposizione
consegne
spedizioni rapide in
24/48 ore in tutta Italia
test
Assistenza professionale
dedicata